²úÆ·¼ò½é£ºJD-CZ5³µÔØÐÎÏóÕ¾ÊÇÒ»¿î¸ß¶È¼¯³É¡¢µÍ¹¦ºÄ¡¢¿É¼±¾ç×°ÖᢱãÓÚÒÆ¶¯¼à²âµÄ¸ß¾«¶È×Ô¶¯ÐÎÏó¹Û²âÉ豸¡£
Ò»¡¢²úÆ·¼ò½é
JD-CZ5³µÔØÐÎÏóÕ¾ÊÇÒ»¿î¸ß¶È¼¯³É¡¢µÍ¹¦ºÄ¡¢¿É¼±¾ç×°ÖᢱãÓÚÒÆ¶¯¼à²âµÄ¸ß¾«¶È×Ô¶¯ÐÎÏó¹Û²âÉ豸¡£
¿í·ºÊ¹ÓÃÓÚÐÎÏó¡¢Å©ÁÖ¡¢»·±£¡¢º£Ñó¡¢»ú³¡¡¢¸Û¿Ú¡¢¿ÆÑ§µ÷²é¡¢Ð£Ô°½ÌÓýµÈÁìÓò¡£
¸ÃÉ豸ѡȡÎåÉí·ÖÒ»Ìåʽ´«¸ÐÆ÷£¬¿É¶Ô·ç¿ì¡¢·çÏò¡¢¿ÕÆøÎ¶ȡ¢Êª¶È¡¢´óÆøÑ¹Á¦µÈÐÎÏóÉí·Ö½øÐÐʵʱ¹Û²â£¬´«¸ÐÆ÷±í¿Çѡȡ½ø¿ÚABS²ÄÖÊ£¬¸üÓÐЧƥµÐÑÎÎíµÈ»·¾³£¬·À»¤µÈ¼¶´ïµ½IP65ÒÔÉÏ¡£
±êÅä485תUSBÏߣ¬Äܹ»ÏνӱʼDZ¾»òÕßpadÖ±½Ó¶ÁÈ¡Êý¾Ý¡£¿Í»§¿Éƾ¾Ý×ÔÉíÇé¿ö£¬Ëæ»úÑ¡Åäpadһ̨¡£
¶þ¡¢²úÆ·ÌØµã
1¡¢¶¥¸Ç°µ²ØÊ½³¬Éù²¨Ì½Í·£¬Ô¤·ÀÓêÑ©¶Ñ»ýµÄ×ÌÈÅ£¬Ô¤·ÀÌìÈ»·çÕÚµ²
2¡¢µÀÀíΪ·¢ÉäÂ½Ðø±äƵ³¬Éù²¨Ðźţ¬Í¨¹ýÕÉÁ¿Ïà¶ÔÏàλÀ´¼ì²â·ç¿ì
3¡¢É豸µ×²¿½¨Éè¸ßÇ¿¶È´ÅÌú£¨Ï𽺰ü¹ü£©£¬¿ÉÎÞËðÎü¸½ÓÚ³µ¶¥
4¡¢¼õÕðÊÖÌáÏ䣬·½±ãЯ´ø
5¡¢ÄÚÖõç×ÓÂÞÅÌ£¬×Ô¶¯ÕÒ±±
6¡¢±±¶·ÓëGPS˫ģ¶¨Î»£¬×î¸ß¾«¶È0.1Ã×
Èý¡¢¼¼Êõ²ÎÊý
1¡¢·ç¿ì£º³¬Éù²¨µÀÀí£¬0¡«60m/s£¨¡À0.1m/s£©£¬¿É²âÕæÊµ·ç¿ì
2¡¢·çÏò£º³¬Éù²¨µÀÀí£¬0¡«360¡ã£¨¡À2¡ã£©
3¡¢¿ÕÆøÎ¶ȣºÕÉÁ¿µÀÀí¶þ¼«¹Ü½áµçѹ·¨£¬-40-60¡æ£¨¡À0.3¡æ£©
4¡¢¿ÕÆøÊª¶È£ºÕÉÁ¿µÀÀíµçÈÝʽ£¬0-100%RH£¨¡À3%RH£©
5¡¢´óÆøÑ¹Á¦£ºÕÉÁ¿µÀÀíѹ×èʽ£¬300-1100hpa£¨¡À0.25%£©
6¡¢Êý¾Ý´æ´¢£º²»ÉÙÓÚ50ÍòÌõ£»
7¡¢¹¦ºÄ£º1.75W
8¡¢ï®µç³Ø£ºÈÝÁ¿12000maH£¬Ðøº½¹¦·ò¡Ý50h
9¡¢×ܳÁÁ¿£º¡Ü5kg£»
10¡¢²¼É蹦·ò£º1ÈË£¬²»´óÓÚ2·ÖÖÓʵÏÖ²¼É裻
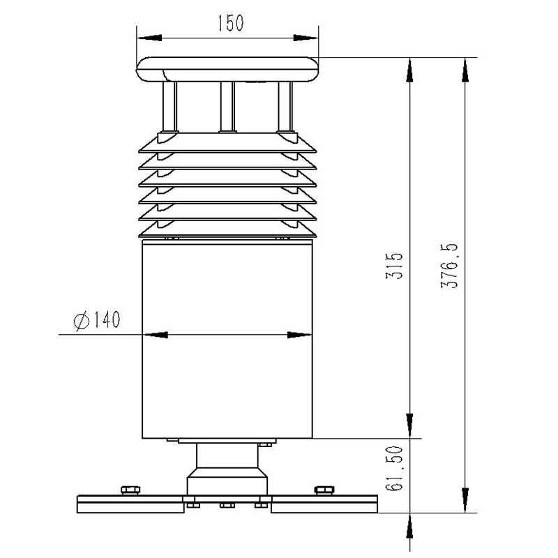
ËÄ¡¢³ß´çͼ


Îå¡¢ÉÏλ»úÈí¼þ½éÉÜ
1¡¢PCµ¥»ú°æÊý¾Ý½Ó¹Ü¡¢´æ´¢¡¢²é¿´¡¢·ÖÎöÈí¼þ
2¡¢Ö§³Ö´®¿ÚÊý¾Ý½Ó¹Ü¡¢´¦Öá¢Õ¹Ê¾
3¡¢Ö§³Öjson×Ö·û´®¡¢modbus485µÈͨѶ·½Ê½
4¡¢¿É×ÔÉèÖô洢¹¦·ò£¬modbus485²É¼¯Ä£Ê½Ï¿É×ÔÉèÖòɼ¯¹¦·ò
5¡¢Ö§³Ö×ÔÖ÷Ôö³¤¡¢É¾³ý¡¢Åú¸Ä¼à²â²ÎÊýµÄºÍ̸¡¢Ãû³Æ¡¢Í¼±êµÈ
6¡¢Ö§³ÖÊý¾Ýºó´¦ÖÃÖ°ÄÜ
7¡¢Ö§³Ö±íÖÃÔËÐÐjavascript¾ç±¾